click me!

4.5mm f/1.2 Athermalized Lenses for LWIR Thermal Imaging Camera

Code: 301-037

联系我们  

Optical Property

Focal Length 4.5mm F/# 1.2
Operating Wavelength Range 8μm to 12μm Coating on Front Surface Exposing to Air AR
Calculated Average Transmission / Operating Temperature Range -40℃ to +60℃
Focus Range 0.5m Distortion (Diagonal FOV) /

 

Mechanical Property


Focusing Mechanism / Weight /
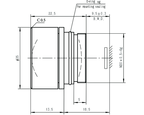
Materials of Lens Housing / Max. Dimensions (Diameter x Length) ɸ25x22.5mm
Installation Way / Back Working Distance (B.W.D) 9.5±0.3mm
Connector M20x0.5-6g Sealing Grade IP67
FOV(H X V)384x288
17μm88°x64°

Drawing:

4.5mm f1.2 Athermalized Lenses for LWIR Thermal Imaging Camera

4.5mm
L4.5F1.2
1.2
Athermalized
Enquire
5-6 weeks