click me!

7.5mm f/1.0 Fisheye Manual Focus Lenses for LWIR

Code: 302-011

联系我们  

Specifications:

Focal Length 7.5mm F Number(#) 1.0
FOV(H) 80.1 degree FOV(V) 56.3 degree
Wavelength Range 8~12 micro Focus Range ∞~ 0.3M
Detector Size 384x288-25μm

7.5mm f/1.0 Fisheye Manual Focus Lenses for LWIR, Code: 302-011

Fisheye lenses are a type of lens with broad FOVs, creating distorted panoramic images. In comparison Super-wide angle lenses provide a narrower view (yet still quite wide), the typical range is 80°-110°, with less distortion. Wide-angle lenses provide rectilinear views with minimal distortion, while fisheye lenses produce curvilinear perspectives.

Hangzhou Shalom EO specializes in providing Off-the-shelf and Custom Super Wide-Angle Lenses and Fisheye Lenses for LWIR (8-12 micro) thermal imaging cameras. These high-quality lenses boast expansive angles of view, allowing for comprehensive scene capture. Their compact design ensures easy integration into various systems. The lenses are engineered to accommodate multiple detector sizes. Customers can choose between manual focusing options for precise control or fixed focal length versions for consistent performance. Whether for standard applications or custom requirements, Shalom EO delivers reliable optical solutions for thermal imaging needs.



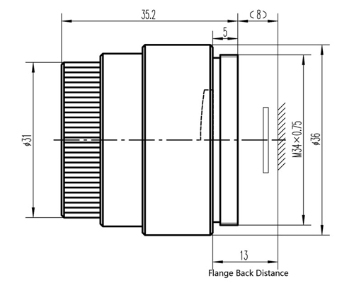
Drawing:


7.5mm
L7.5F1.0
1.0
Manual
Enquire
5-6 weeks