click me!

12mm f/1.0 Motorized Lenses for LWIR Thermal Imaging

Code: 303-008

联系我们  

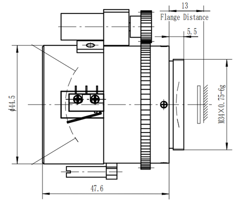
Specifications:

Focal Length 12mm F Number(#) 1.0
FOV(HxV)

50°x37.7°

30.2°x22.7°

Detector

640x480-17μm

384x288-17μm

Wavelength Range 8~12 micro Focus Range 0.25m to infinity
Sealing IP54 Coating DLC
Operation Temperature Range -40℃~60℃
12.0mm
L12.0F1.0-mot
1.0
Motorized
Enquire
5-6 weeks