click me!

25mm to 225mm f/1.5 Zoom Lenses for LWIR Thermal Camera

Code: 305-010

联系我们  

Optical Property

Focal Length 25mm to 225mm Calculated Average Transmission >81%
F/# 1.5 Operating Temperature Range -40℃ to +60℃
Operating Wavelength Range 8μm to 12μm Minimum Focus Range 0.3m /45m
Coating on Front Surface Exposing to Air DLC Distortion (Diagonal FOV) <5%

 

Mechanical Property

Focusing Mechanism Motorized Installation Way Flange
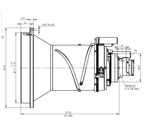
Weight / Flange Focal Distance 20mm
Materials of Lens Housing Anodized aluminium Connector Refer to drawing
Max. Dimensions   (Diameter x Length) ɸ194x237.58 Sealing Grade IP67

 

Electronic Property

Zoom, Focus Mechanism DC gear motor control Zoom,Focus Position Feedback Potentiometer
Zoom, Focus Driving Voltage 12V DC

 

FOVs and Detectors:

FOV(H X V) 640x480 1024x768
12μm 17.4° to 1.9° 27.6° to 3.1°
17μm 24.6° to 2.8° 38.3° to 4.43°
25μm 35.5° to 4.1°  

Both this module and Hangzhou Shalom EO's 305-016 25mm f/0.85 to 225mm f/1.3 Continuous Zoom Lenses for LWIR Thermal Camera are compatible with HD(1280x1024)-12μm infrared detector, which delivers outstanding image details supporting broader FOV, longer distance, and offer excellent spatial resolution with the 12μm pixel size.

25~225mm
L-Zoom-25/F1.5-225/F1.5continuous
1.5
Motorized
Enquire
7-8 weeks