Notice: Undefined index: path in /www/wwwroot/shalomeo.cn/catalog/controller/product/product.php on line 492 90mm to 1100mm f/5.5 Continuous Zoom MWIR Thermal Camera Lenses, 313-004
 click me!
  • 90mm to 1100mm f/5.5 Continuous Zoom MWIR Thermal Camera Lenses For Cooled Detectors
  • 90mm to 1100mm f/5.5 Continuous Zoom MWIR Thermal Camera Lenses For Cooled Detectors

90mm to 1100mm f/5.5 Continuous Zoom MWIR Thermal Camera Lenses For Cooled Detectors

Code: 313-004

MWIR 90-1100mmF5.5 Long Range Thermal Camera Zoom Lenses.pdf 联系我们  

Optical Parameters:

Focal Length 90mm to 1100mm Operating Temperature Range -40℃ to +60℃
F/# 5.5 Working Wavelength Range 3.7μm to 4.8μm
Coating on Front Surface Exposing to Air AR/DLC, Optional

 

Mechanical Specifications:

Focusing Mechanism MotorizedWeight 4.2kg
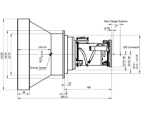
Lens Housing MaterialBlack Anodized Aluminum Max.Dimensions (DiameterxLength)ɸ223x295.51mm
ConnectorRefer to Drawing

 

Electronics:

Zoom, Focus Mechanism DC gear motor control Zoom, Focus Position FeedbackEncoder
Zoom, Focus Driving Voltage 12V DC


FOV-Sensor Size: 

FOV640x512-15μm

H 6.11° to 0.5°
V 4.89° to 0.4°
MWIR thermal imaging cameras are emerging as the new-generation thermal detection solution. Compared with LWIR thermal cameras, MWIR thermal imagers deliver superior image qualities and better long-range detection functionalities. These merits are not the sore product of the fact that thermal contrasts in the MWIR wavelength range are intrinsically more significant than those in the LWIR wavelength range according to Planck's law, but also MWIR cameras are often integrated with cooled quantum sensors which contribute to higher infrared radiation sensitivities. Demands for Lens assemblies operating in the 3-5 micron MWIR wavelengths are also surging as a result. 

With the unceasing efforts of our engineering team, Shalom EO has achieved a technical breakthrough in developing an Ultra-Lightweight 90-1100mm f/5.5 Continuous Zoom MWIR Thermal Imaging Camera Lens Modules. The 223mm diameter, 295.51 length CZ Lens assemblies weigh 4.2 kg, providing a great balance of long detection range, large apertures, weight issues, and cost-effectiveness.


A Cutting-edge 35km Long Range 4.2kg f/5.5 Long-Range Detection Lens Module

It is common that thermal cameras oriented for long-range detection often suffer from overweight problems. This is because, in imaging instruments, a substantial volume of electromagnetic radiation must be allowed to reach the sensor. longer focal lengths therefore must be compensated through larger lens apertures to ensure sufficient radiation exposure, thus long-range thermal camera lenses are often made into large diameters, leading to massive weights and enormous dimensions. The problem is less severe in the case of MWIR lenses than LWIR lenses because a higher f f-number is tolerable to the more sensitive cooled detectors matched with MWIR lenses. However, the long detection range of MWIR thermal camera CZ lenses with focal lengths within the approximate range of 100-1000mm claiming to be lightweight in the market, in general, weighs between 5-8kg. In application contexts like drones and defense surveillance, a little increment of weight could have great adverse impacts, for example, increasing power consumption, reduction of moving velocities, etc. 

Besides the weight issue, with the increasing technological demand for capturing clear images at extreme distances and harsh visual conditions, the market also poses challenges for the suppliers of long-range infrared lenses. The prior purpose of long-range infrared lenses is to extend the detection distance, providing a clear and detailed view of objects or scenes from afar, therefore achieving remarkable detection distances is paramount for applications like surveillance, reconnaissance, and monitoring. Other requirements for long-range infrared lenses include flexible zooming mechanism, diffraction-limited MTF, reliable optical performance, etc.

A unique optomechanical design of the lens sets and the continuous zoom configurations have enabled us to contrive an ultra-lightweight long focal length continuous zoom lens MWIR lens module. This MWIR lens module, with an extended focal length range of 90-1100mm and built-in motorized focus mechanics/electronics has a low weight of 4.2 kg, indicating a technical breakthrough in our research and exploration of lightweight, compact, long range thermal camera imaging lenses.


    

Figure 1. Shalom EO's  Ultra-Lightweight 90-1100mm f/5.5 Continuous Zoom MWIR Thermal Imaging Camera Lens Modules


Optimized for C-UAV or Drones

The utilization of Unmanned Aerial Vehicles (or Drones) is becoming a prevalent approach in surveillance, panoramic filming, and battlefields. The absence of human pilots and automated/remote control working mechanisms introduces more convenience and covertness into modern militaries. However, the abuse of drones with hostile intentions also stimulated the development of Counter-Unmanned Aerial Vehicles (C-UAV) to mitigate the imposing threats of illegitimate intrusion and encroachment. C-UAV or C-UAS is equipment designed to detect, track, interrupt, or even wreck the drone to prevent unauthorized trespass of UVA into certain areas. A set of thermal imaging camera lenses with long detection distances, compact dimensions, light weights, and flexible zooming mechanisms are essential to both UAV and C-UAV, either for a human operator to recognize the targets or for an AI to interpret the situations.

Shalom EO's 90mm to 1100mm f/5.5 Continuous Zoom MWIR Thermal Camera Lenses For Cooled Detectors features:

1. Long Detection Range up to 35km:

The long-range thermal imaging lenses cover a staggering detection range of up to 35km, being capable of monitoring vast landscapes, and providing detection over a wide area. The lenses are excellent when assigned to various missions requiring long detection ranges and high thermal contrast, such as drones, surveillance, Counter-Unmanned Aerial Vehicle (C-UAV/C-UAS), etc, achieving optimal results in all scenarios with lenses that adapt to your requirements, ensuring that you never miss a critical detail. Our long-range infrared lens modules permit clear visions that penetrate the atmosphere regardless of the weather conditions. As shown in Figure 1 and Figure 2 below, our long focal length infrared lens exhibits prominence in identifying targets and acquiring detailed images.



Figure 1. The picture captured by Shalom EO's 90mm to 1100mm f/5.5 Continuous Zoom MWIR Thermal Camera Lenses For Cooled Detectors at the detection range of 15km



Figure 2. The picture captured by Shalom EO's 90mm to 1100mm f/5.5 Continuous Zoom MWIR Thermal Camera Lenses For Cooled Detectors at the detection range of 35km


2. Lightweight, Compact Design:

With the unceasing efforts of the engineering team, Shalom EO has achieved a technical breakthrough in developing an Ultra-Lightweight 90-1100mm f/5.5 Continuous Zoom MWIR Thermal Imaging Camera Lens Module. The 223mm diameter, 295.51mm length CZ Lens assemblies weigh 4.2 kg, providing a perfect balance between long focal lengths and weight issues. This MWIR lens module with built-in motorized focus mechanisms and electronics indicates technical progress in our research and exploration of lightweight, compact, high-performance thermal camera imaging lenses. The dense optomechanical integration is optimized. The high-precision mechanical elements constituting the lenses are crafted from robust materials and undergo stringent tests to ensure that the elements can withstand harsh weather and tough conditions.


Figure 3. Our Innovative Design


3. Flexible Zooming Mechanism:

built-in motorized continuous zooming mechanism is incorporated into the long detection range IR lens, through which flexible adjustments of the focal lengths could be made. Focus is maintained through the full zoom range. From wide-angle overviews to extreme close-ups, fast changes in FOVs could be achieved. The fixed f/5.5 large aperture through the full zoom range enhances low-light performance, making it excellent for both daytime and nighttime surveillance.


4. Diffraction-limited MTF:

Figure 5 describes the MTF curves for the long-range detection lens module, as shown in the figure, both the sagittal and tangential MTF of the lens module are close to the diffraction limit. (you might download the pdf in the upper section to check the full version of the MTF curve. ) The diffraction-limited design allows for the best functionality possible.



Figure 5. The MTF Curve 

For access of more technical parameters, please download the product pdf.


5. Reliable Optical Performance

The optical lens components composing the lens module are fabricated using high-grade optical materials, and the lens components are produced with high precision standards to obtain unmatched optical performance. AR coatings are utilized to increase optical transmission and DLC coating is furnished at the optical front of the lens for protection.


6. Comparison with the 75mm-1100mm/f4.0 MWIR Zoom Thermal Imaging Camera Lenses, Code 313-010

Shalom EO is also glad to present the 75mm-1100mm/f4.0 MWIR Zoom Thermal Imaging Camera Lenses, Code 313-010 Compared with Shalom EO’s 313-004 Ultra-Lightweight 90-1100mm f/5.5 Continuous Zoom MWIR Thermal Imaging Camera Lens Module, the 313-010, 75-1100mm/f4.0 MWIR Zoom Thermal Imaging Camera Lens Module boasts a greater f-number, hence a larger amount of MWIR radiation is permitted to enter, resulting in more image details and enhancement of overall image brightness. 

In addition, the focal length range of the 75-1100mm/f4.0 MWIR continuous zoom thermal Imaging Camera lenses is also wider, with access to shorter focal lengths down to 75mm, users can bring extended views and scopes into focus.

However, the 313-010 75-1100mm/f4.0 MWIR Zoom Thermal Imaging Camera Lens Module is heavier than the 313-004 Ultra-Lightweight 90-1100mm f/5.5 Continuous Zoom MWIR Thermal Imaging Camera Lenses, which only weigh 4.2kg. The weight of this large size f4.0 module is about 8.0kg. Nevertheless, Shalom EO’s 313-010 long range MWIR thermal imaging camera lenses are still much lighter than many of the counterpart lenses from other suppliers. 


Conclusion:

Hangzhou Shalom EO has established its image as a trailblazer manufacturer and a worldwide supplier of Infrared thermal imaging lenses over years of dedication. Our lens production line is of cutting-edge techniques under rigorous inspection, including CNC fabrication and single-point diamond turning (SPDT) polishing. Besides the stocked lens modules with standard specifications, we are also willing to embrace the challenges of developing new lens designs and collaborating with customers for technical innovations.

1. Drawing:

long range infrared lens

2. Curves:

a) MTF Curves @20°C

1) EFL 1100mm

mwir lenses mtf curve efl 1100mm


2) EFL 900mm

mwir lenses mtf curve efl 900mm


3) EFL 700mm

mwir lenses mtf curve efl 700mm


4) EFL 500mm

mwir lenses mtf curve efl 500mm


5) EFL 300mm

mwir lenses mtf curve efl 300mm


6) EFL 90mm

mwir lenses mtf curve efl 90mm


b) Field Curvature/Distortion 

1) EFL1100mm

mwir lenses field curvature distortion efl 1100mm


2) EFL900mm

mwir lenses field curvature distortion efl 900mm


3) EFL700mm

mwir lenses field curvature distortion efl 700mm


4) EFL500mm

mwir lenses field curvature distortion efl 500mm


5) EFL300mm

mwir lenses field curvature distortion efl 300mm


6) EFL90mm

mwir lenses field curvature distortion efl 90mm


90~1100mm
M-Zoom-90/F5.5-1100/F5.5
5.5
Motorized
Enquire
2 month
4.2kg
75mm to 1100mm f/4.0 Continuous Zoom MWIR Thermal Camera Lenses For Cooled Detectors

75mm to 1100mm f/4.0 Continuous Zoom MWIR Thermal Camera Lenses For Cooled Detectors

Code: 313-010

...