click me!

300mm f/2.0 Manual Focus MWIR Thermal Camera Lenses for Cooled Detetor

Code: 311-009

联系我们  

Optical Parameters:

Focal Length(EFL) 300mm f Number (f#) 2.0
Wavelength Range 3.5μm~5μm Detector 640x512-15micro, cooled
FOV 1.83°x1.47° Coating AR
Average Transmittance >86% Working Temperature Range -40℃~60℃
Minimum Working Distance 30mm Distortion Maximum D-FOV Distortion:<5%

 

Mechanical Parameters:

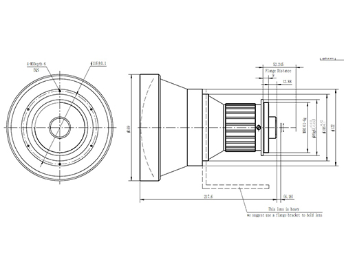
Dimensions Length:217.6, Diameter:Ф169 Focus Mechanism Internal Manual Focusing
Sealing IP54 Mount M80x1-6g Back Flange Distance: 52.245
Housing Material Aluminum, Black anodized Operation Temperature -30℃~ +55℃
Storage Temperature -50℃~ +70℃ Weight /

300mm f/2.0 manual focus lens module is compliant with cooled FPA detectors ( InSb Focal Plane Arrays ) of 640x512-15μm, operating at the MWIR wavelength range 3.5~5.0μm. The lens module is optimized for high transmission, superior MTF and low distortion. The sealing grade of the housing is IP54. Modifications of the parameters could be arranged upon your request.

Drawing:



Testing Results and Curves:

1. MTF@33lp/mm

 

2. Field Curvature and Distortion

  

3. Relative Illumination

 

4. Vignetting

 

300mm
M300F2.0-man
2.0
Manual
Enquire
2 month